您好,欢迎进入国外工业品代购,美国代购,仪器代购,欧美原装进口,一站式进口采购官网!
24小时咨询热线:137 1497 2229
全国咨询热线:0755-86216601
产品展示PRODUCT SHOW

国外直接进口、品质保证!

联系我们 / CONTACT US

国外工业品代购,美国代购,仪器代购,欧美原装进口,一站式进口采购

联系人:朱经理
手 机:137 1497 2229
电 话:0755-86216601
地 址:深圳市龙华区观澜大道75号田背花园E单元806

产品展示

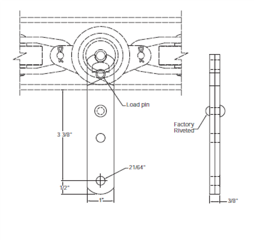
Southwest Systems进口2035.00317 刚性直侧载吊坠

发布时间:2024-08-01人气:23

2035.00317 刚性直侧载吊坠

刚性直侧载吊坠 75 磅容量

刚性直边吊坠与刚性 U 形吊坠类似,只是侧面是直的。其间距可以是 6 英寸的倍数。它直接连接到传送链垂直链节上的负载销上,表面镀锌。

当摆动负载可能令人反感或不允许时,可以使用此吊坠。吊坠始终与轨道保持垂直。



本文网址:http://www.coastby.com/show.asp?id=1465

国外工业品代购,美国代购,仪器代购,欧美原装进口,一站式进口采购扫一扫咨询微信客服
在线客服
服务热线

服务热线

0755-86216601

微信咨询
国外工业品代购,美国代购,仪器代购,欧美原装进口,一站式进口采购
返回顶部